过滤器

锻钢Y型过滤器
产品简介
News Center
新闻中心公称通径:DN15-DN50
公称压力:800LB-1500LB
连接方式:承插焊、螺纹、法兰
阀体材质:A105、LF2、F11、F22、304、304L、316、316
GL61Y锻钢Y型过滤器适合在高压的场合使用,是输送介质管道上不可缺少的一种装置,通常安装在减压阀、泄压阀、定水位阀或其它设备的进口端,用来消除介质中的杂质,以保护阀门及设备的正常使用。当流体进入置有一定规格滤网的滤筒后,其杂质被阻挡,而清洁的滤液则由过滤器出口排出,当需要清洗时,只要将可拆卸的滤筒取出,处理后重新装入即可,因此,使用维护极为方便。
设计制造 | BS5352 MSS SP-118 |
承插口尺寸 | ANSI B16.11,JB/T1751 |
螺纹端尺寸 | ANSI B1.20.1,JB/T7308 |
对焊端尺寸 | ANSI B16.25,JB/T12224 |
法兰端尺寸 | ANSI B16.5,JB79 |
阀门检查和试验 | API 598,GB/T13927,JB/T9092 |

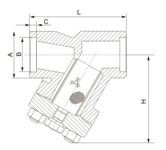
公称通径 (DN) | L | H2 | A | B | C |
15 | 100 | 120 | 40.5 | 22.2 | 9.6 |
20 | 100 | 120 | 40.5 | 27.7 | 12.7 |
25 | 120 | 140 | 51 | 34.5 | 12.7 |
32 | 140 | 130 | 56 | 42.6 | - |
40 | 140 | 155 | 66 | 49.1 | 12.7 |
50 | 170 | 198 | 83 | 61.1 | 15.9 |
65 | 200 | 180 | 90 | 76.8 | - |
80 | 290 | 230 | 110 | 89.8 | - |
在线留言