过滤器

Y型法兰过滤器
产品简介
News Center
新闻中心产品口径:DN15-500m
产品压力:1.6-6.4MPa
产品材质:铸铁、铸钢、不锈钢
适用温度:-20℃-350℃
滤网材质:不锈钢
密封件材质:石墨
连接方式:法兰连接
美标Y型过滤器是使用水力控制阀及精密的易堵塞的机械产品所必须具备的过滤设备。是输送介质的管道系列不可缺少的一种装置之一,Y型过滤器通常安装于水力控制阀、减压阀、泄压阀、定水位阀等设备的进口端,用来消除介质中的杂质,防止颗粒性杂质进入通道,造成堵塞,以保护设备管道上的配件,免受磨损和堵塞。
壳体材质 | 黄铜 | 碳钢 | 不锈钢 |
公称通径 | 15~500mm | ||
滤框滤网材质 | 不锈钢 | ||
密封件材质 | 耐油石棉、丁腈橡胶、聚四氟乙烯 | ||
工作温度(℃) | -30~380 | -80~425 | -80~450 |
公称压力(MPa) | 1.6~10(150Lb~600Lb) | ||
过滤精度(目/in) | 10~300 | ||

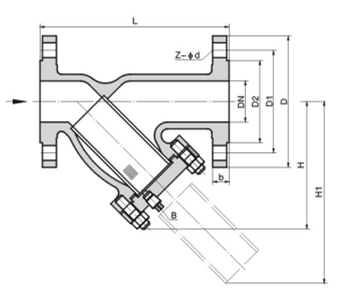
| DN | "英寸 | L | H | H1 |
| 15 | 1/2 | 125 | 70 | 150 |
| 20 | 3/4 | 145 | 70 | 150 |
| 25 | 1 | 160 | 80 | 160 |
| 32 | 1 1/4 | 180 | 90 | 180 |
| 40 | 1 1/2 | 200 | 100 | 240 |
| 50 | 2 | 220 | 130 | 250 |
| 65 | 2 1/2 | 260 | 165 | 350 |
| 80 | 3 | 280 | 195 | 390 |
| 100 | 4 | 320 | 230 | 450 |
| 125 | 5 | 350 | 300 | 520 |
| 150 | 6 | 380 | 335 | 580 |
| 200 | 8 | 495 | 420 | 690 |
| 250 | 10 | 595 | 500 | 800 |
| 300 | 12 | 640 | 580 | 950 |
| 350 | 14 | 700 | 640 | 1150 |
| 400 | 16 | 800 | 700 | 1360 |
| 450 | 18 | 850 | 790 | 1480 |
| 500 | 20 | 900 | 875 | 1650 |
在线留言