0510-83123233

过滤器

当前位置: 首页 > 产品展示 > 过滤器

衬氟Y型过滤器

产品简介

衬氟Y型过滤器 产品说明公称通径DN25~DN200壳体材质碳钢衬氟滤芯材质F4、F46过滤精度10~100目连接方式法兰法兰压力0.25~2.5MPa法兰密封

产品型号:
浏览次数:
详细介绍在线留言
  • 衬氟Y型过滤器 产品说明


公称通径

DN25~DN200

壳体材质

碳钢衬氟

滤芯材质

F4、F46

过滤精度

10~100目

连接方式

法兰

法兰压力

0.25~2.5MPa

法兰密封面

RF

垫片材料

PTFE



  • 衬氟Y型过滤器 产品特点

1、整体式阀体设计;

2、可替换的过滤内件;

3、多种过滤结构设计;

4、滤网精度18—500目可选;

5、常规30目设计;

6、又排放接口;

7、标准法兰连接;


  • 衬氟Y型过滤器 主要零件材料

零件名称

灰铸铁 (Z)

碳钢 (C)

阀体、阀盖

HT250/A 126

WCB/A216 WCB

过滤网

PTFE(F4)

螺栓 /螺母

35/45、A193 B7/A194

衬里层

FEP(F46)PCTFE(F3)


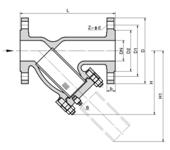
  • 衬氟Y型过滤器 主要连接尺寸 

                                                                              衬氟Y型过滤器(图1)

公称通径 DN (mm)

NPS (in)

GL41F46-10/16/25型过滤器

L

D

D1

D2

b

f

H1

H

Z-φd

重量(kg)

PNl.02.5(MPa)

20

3/4

150

105

75

55

16

2

70

122

4-14

3.3

25

1

160

115

85

65

16

2

78

135

4-14

4.2

32

11/4

190

135

100

78

18

2

86

154

4-18

6.6

40

11/2

200

145

110

85

18

3

92

164

4-18

7.3

50

2

230

160

125

100

20

3

102

182

4-18

12

65

21/2

250

180

145

120

20

3

115

205

4-18

16

80

3

280

195

160

135

22

3

135

232

8-18

23

100

4

320

215

180

155

24

3

156

263

8-18

32

125

5

400

245

210

185

26

3

248

370

8-18

39

150

6

500

280

240

210

28

3

285

425

8-23

52

200

8

600

335

295

265

30

3

362

530

8-23

89



在线留言

留言框

  • 产品名称:

  • 您的单位:

  • 您的姓名:

  • 联系电话:

  • 常用邮箱:

  • 省份:

  • 详细地址:

  • 留言内容:

  • 验证码:

全国服务热线:

0510-83123233

以品质赢得客户满意口碑
扫一扫
添加公司微信

Copyright © 半岛网页版-半岛(中国) 版权所有  

关注

联系

15370222112

联系
顶部
星空·综合(xingkong)体育官方网站-sports xingkong体育(中国)官方网站 亚搏网页版-亚搏yabo(中国) 亚搏yabo·(中国)官方网站 新利·体育(中国)官方网站-登录入口 奇异果体育-QIYIGUO SPORTS中国官网 米兰·(milan)中国官方网站 星空平台-星空(中国)一站式服务平台 必一平台-必一(中国)一站式服务平台