手动蝶阀

D343H三偏心法兰蝶阀
产品简介
News Center
新闻中心1.蝶阀结构简单/紧凑/重量轻/易于安装和拆卸/维修方便/
2.本蝶阀采用不锈钢U型密封圈,具有一定的弹性无论在高温,低温的情况下,它与蝶板均具有优良的密封性;
3.本蝶阀的三维偏心距,经过严格的计算,多层次复合密封型密封圈与蝶板几乎无磨擦,使用寿命长,并具有越关越紧的功能;
4.蝶板密封面采用堆焊钴基硬质合金,密封面耐磨损,使用寿命长;
5.本蝶阀结构独特,开关仅需转动阀杆90°即可完成.操作灵活/方便/省力/不受介质压力的高低影响,密封性能可靠.
本系列硬密封蝶阀广泛适用于电力、石化、冶金、给排水系统、蒸汽系统、煤气系统及高温空气系统等管路系统上作启闭或调节介质流量之用。
阀体材质:碳钢、不锈钢、铬钼钒钢 。
零件名称 | 材料 |
阀体 | 铸铁、铸钢、不锈钢、铬钼钢、合金钢 |
蝶板 | 铸钢、合金钢(镀硬铬)、不锈钢、铬钼钢 |
阀座密封圈 | 不锈钢、多层次、聚内脂、抗磨材料 |
阀杆 | 2Cr13.1Cr13不锈钢、铬钢 |
填料 | 柔性石墨 |
| 公称通径 | DN(mm) | 50~1200 | ||||
|---|---|---|---|---|---|---|
| 公称压力 | PN(MPa) | 0.6 | 1.0 | 1.6 | 2.5 | 4.0 |
| 试验压力 | 强度试验 | 0.9 | 1.5 | 2.4 | 3.75 | 6.0 |
| 密封试验 | 0.66 | 1.1 | 1.76 | 2.75 | 4.4 | |
| 气密封试验 | 0.6 | 0.6 | 0.6 | 0.6 | 0.6 | |
| 适用介质 | 水、蒸气、油品、酸类腐蚀性等。 | |||||
| 驱动方式 | 手动、蜗轮传动、气动、电动 | |||||
| 适用温度 | 碳钢 :-29℃~40℃ 不锈钢-40℃~600℃ | |||||
| 设计标准 | GB/T12238-1989 |
|---|---|
| 法兰连接尺寸 | GB/T9113.1-2000;GB/T9113.2-2000; GB/T9115.1-2000;GB/T9115.2-2000 |
| 结构长度 | GB/T12221-1989 |
| 压力试验 | GB/T13927-1992;JB/T9092-1999 |

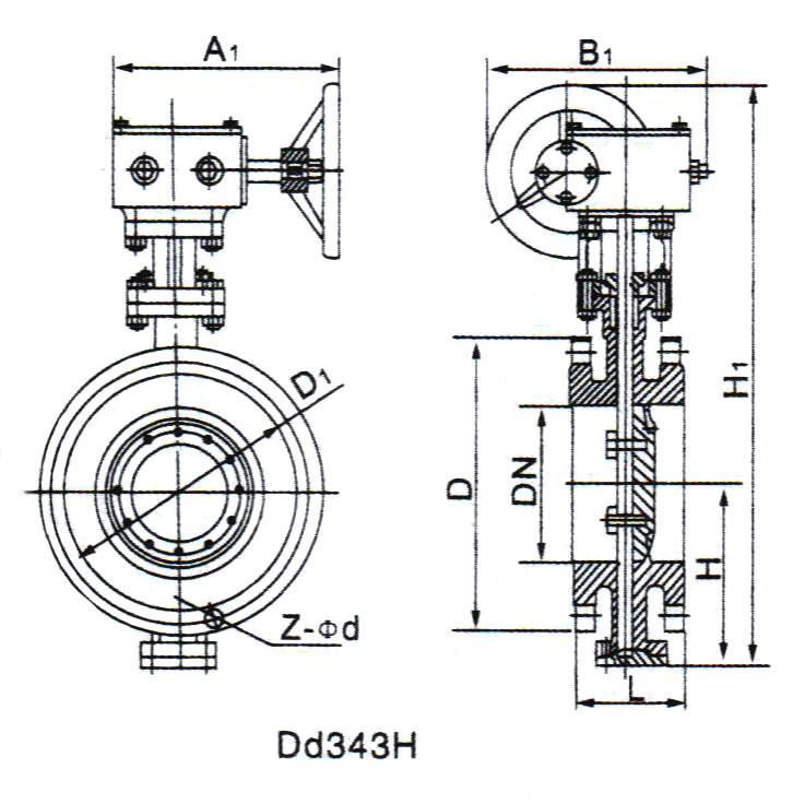
| 公称通径 | 结构长度 | 外形尺寸 | 连接尺寸(标准值) | |||||||||||||
|---|---|---|---|---|---|---|---|---|---|---|---|---|---|---|---|---|
| L0 | H | D343H | PN0.6MPa | PN1.0MPa | PN1.6MPa | |||||||||||
| 毫米 | 英寸 | 法兰 | 对夹 | H0 | A1 | B1 | D | D1 | Z-d | D | D1 | Z-d | D | D1 | Z-d | |
| 50 | 2 | 108 | 43 | 112 | 350 | 180 | 200 | 140 | 110 | 4-14 | 165 | 125 | 4-18 | 165 | 125 | 4-18 |
| 65 | 21/2 | 112 | 46 | 115 | 370 | 180 | 200 | 160 | 130 | 4-14 | 185 | 145 | 4-18 | 185 | 145 | 4-18 |
| 80 | 3 | 114 | 64 | 120 | 380 | 180 | 200 | 190 | 150 | 4-18 | 200 | 160 | 8-18 | 200 | 160 | 8-18 |
| 100 | 4 | 127 | 64 | 138 | 420 | 180 | 200 | 210 | 170 | 4-18 | 220 | 180 | 8-18 | 220 | 180 | 8-18 |
| 125 | 5 | 140 | 70 | 164 | 460 | 180 | 200 | 240 | 200 | 8-18 | 250 | 210 | 8-18 | 250 | 210 | 8-18 |
| 150 | 6 | 140 | 76 | 175 | 555 | 270 | 280 | 265 | 225 | 8-18 | 285 | 240 | 8-22 | 285 | 240 | 8-22 |
| 200 | 8 | 152 | 89 | 208 | 605 | 270 | 280 | 320 | 280 | 8-18 | 340 | 295 | 8-22 | 340 | 295 | 12-22 |
| 250 | 10 | 165 | 114 | 243 | 680 | 270 | 280 | 375 | 335 | 12-18 | 395 | 350 | 12-22 | 405 | 355 | 12-26 |
| 300 | 12 | 178 | 114 | 283 | 800 | 380 | 420 | 400 | 395 | 12-22 | 445 | 400 | 12-22 | 460 | 410 | 12-26 |
| 350 | 14 | 190 | 127 | 310 | 835 | 380 | 420 | 490 | 445 | 12-22 | 505 | 460 | 16-22 | 520 | 470 | 16-26 |
| 400 | 16 | 216 | 140 | 340 | 915 | 450 | 470 | 540 | 495 | 16-22 | 565 | 515 | 16-26 | 580 | 525 | 16-30 |
| 450 | 18 | 222 | 152 | 380 | 960 | 480 | 490 | 595 | 550 | 16-22 | 615 | 565 | 20-26 | 640 | 585 | 20-30 |
| 500 | 20 | 229 | 152 | 410 | 1020 | 480 | 490 | 645 | 600 | 20-22 | 670 | 620 | 20-26 | 715 | 650 | 20-33 |
| 600 | 24 | 267 | 154 | 470 | 1225 | 480 | 490 | 755 | 705 | 20-26 | 780 | 725 | 20-30 | 840 | 770 | 20-36 |
| 700 | 28 | 292 | 165 | 550 | 1355 | 640 | 660 | 860 | 810 | 24-26 | 895 | 840 | 24-30 | 910 | 840 | 24-36 |
| 800 | 32 | 318 | 190 | 640 | 1470 | 640 | 660 | 975 | 920 | 24-30 | 1015 | 950 | 24-33 | 1025 | 950 | 24-39 |
| 900 | 36 | 330 | 203 | 710 | 1545 | 750 | 860 | 1075 | 1020 | 24-30 | 1115 | 1050 | 28-33 | 1125 | 1050 | 28-39 |
| 1000 | 40 | 410 | 216 | 770 | 1795 | 850 | 900 | 1175 | 1120 | 28-30 | 1230 | 1160 | 28-36 | 1255 | 1170 | 28-42 |
| 1200 | 48 | 470 | 254 | 890 | 1965 | 850 | 900 | 1405 | 1340 | 32-33 | 1455 | 1380 | 32-39 | 1485 | 1390 | 32-48 |
在线留言