手动蝶阀

美标凸耳蝶阀LT815W
产品简介
News Center
新闻中心美标凸耳式蝶阀的主要结构特征为对夹式和法兰式三偏心结构,而蝶阀的主要结构特征为阀体周边带凸而且设计成带螺孔单法兰结构,美标凸耳蝶阀广泛应用于石油、化工及工业环保水处理、高层建筑,给排水等管道上。其特点为:
由于采用的是三偏心结构,密闭性能可靠,确保开启时蝶板不接触密封座,消除了密封座不均匀负载,延长了使用寿命,确保可靠的密封性能,具有耐高温、耐磨损、耐腐蚀等优点。
美标凸耳式硬密封蝶阀是圆盘阀瓣,围绕阀轴旋转来达到开启与关闭的一种阀,在管道上主要起切断和节流用。启闭件是一个圆盘形的蝶板,在阀体内绕其自身的轴线旋转,从而达到启闭或调节的目的。蝶阀全开到全关通常是小于90°。
凸耳式硬密封蝶阀是圆盘阀瓣,围绕阀轴旋转来达到开启与关闭的一种阀,在管道上主要起切断和节流用。启闭件是一个圆盘形的蝶板,在阀体内绕其自身的轴线旋转,从而达到启闭或调节的目的。蝶阀全开到全关通常是小于90°。
1、设计合理,结构紧凑,装拆容易,便于维修。
2、采用偏心结构,减少密封圈的摩擦,延长阀门使用寿命。
3、完全密封,泄漏为零,可以用于高真空工况。
4、更换阀板密封圈、蝶板、转轴等材质,可适用多种介质和不同温度。
名称 | 材料 |
阀体 | WCB、CF8、CF8M |
阀板 | WCB、CF8、CF8M |
阀杆 | 304、316、ICr13 |
密封圈 | 316、304 |
填料 | 柔性石墨,氟塑料 |
公称通径 | DN(in) | 2"-36" | 2"-36" |
公称压力 | PN(Mpa) | 150Lb | 300Lb |
实验压力Ps(Mpa) | 强度实验 | 3.0 | 7.5 |
密封试验 | 2.2 | 5.5 | |
适用介质 | 水、蒸汽、油品、酸碱类、海水等 | ||
适用温度 | -40~425℃ | ||

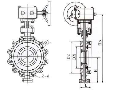
公称通径DN | 结构长度(标准值) | 外形尺寸(参考值) | 连接尺寸(标准值) | 参考重量 | |||||||||||||||
L | L1 | H | H0 | D | D1 | D2 | M | Z.d | |||||||||||
英寸 | 毫米 | 英寸 | 毫米 | 英寸 | 毫米 | 英寸 | 毫米 | 寸 | 毫米 | 英寸 | 毫米 | 英寸 | 毫米 | 英寸 | 毫米 | ||||
2" | 50 | 1.69 | 43 | 4.25 | 108 | 4.33 | 110 | 13.58 | 345 | 6.00 | 152 | 4.75 | 120.5 | 3.62 | 92 | M18 | 4-19 | 9 | 20 |
21/2″ | 65 | 1.69 | 46 | 4.40 | 112 | 4.64 | 118 | 14.25 | 362 | 7.00 | 178 | 5.49 | 139.5 | 4.13 | 105 | M18 | 4-19 | 10 | 25 |
3″ | 80 | 1.94 | 48 | 4.50 | 114 | 4.92 | 125 | 14.96 | 380 | 8.50 | 190 | 6.00 | 152.5 | 5.00 | 127 | M18 | 4-19 | 11 | 29 |
4″ | 100 | 2.19 | 54 | 5.00 | 127 | 5.70 | 145 | 16.34 | 415 | 9.00 | 229 | 7.50 | 190.5 | 6.19 | 157 | M18 | 8-19 | 13 | 33 |
5″ | 125 | 2.50 | 55 | 5.50 | 140 | 6.50 | 165 | 17.91 | 455 | 10.00 | 254 | 8.50 | 216 | 7.32 | 186 | M20 | 8-22 | 16 | 38 |
6″ | 150 | 2.75 | 57 | 5.50 | 140 | 6.89 | 175 | 21.45 | 545 | 11.00 | 279 | 9.50 | 241.5 | 8.50 | 216 | M20 | 8-22 | 26 | 74 |
8″ | 200 | 2.81 | 64 | 5.90 | 150 | 8.26 | 210 | 24.21 | 645 | 13.50 | 343 | 11.75 | 298.5 | 10.62 | 270 | M20 | 8-22 | 34 | 86 |
10″ | 250 | 3.00 | 71 | 6.30 | 160 | 9.84 | 250 | 27.36 | 695 | 16.00 | 406 | 14.25 | 362 | 12.75 | 324 | M22 | 12-25 | 51 | 142 |
12″ | 300 | 3.18 | 81 | 7.00 | 178 | 11.24 | 285 | 32.78 | 830 | 19.00 | 483 | 17.00 | 432 | 15.00 | 381 | M22 | 12-25 | 72 | 167 |
14″ | 350 | 3.63 | 92 | 7.50 | 190 | 12.60 | 320 | 35.43 | 900 | 21.00 | 533 | 18.75 | 476 | 16.25 | 413 | M27 | 12-29 | 106 | 218 |
16″ | 400 | 4.00 | 102 | 8.50 | 216 | 13.98 | 355 | 38.58 | 980 | 23.50 | 597 | 21.25 | 540 | 18.50 | 470 | M27 | 16-29 | 133 | 275 |
18″ | 450 | 4.50 | 114 | 8.74 | 222 | 14.96 | 380 | 40.55 | 1030 | 25.00 | 635 | 22.75 | 578 | 21.00 | 533 | M30 | 16-32 | 176 | 315 |
20″ | 500 | 5.00 | 127 | 9.00 | 229 | 16.34 | 415 | 43.70 | 1110 | 27.50 | 699 | 25.00 | 635 | 23.00 | 584 | M30 | 20-32 | 190 | 395 |
2″ | 600 | 6.06 | 154 | 10.50 | 267 | 18.70 | 475 | 51.37 | 1305 | 32.00 | 813 | 29.50 | 749.5 | 27.25 | 692 | M33 | 20-35 | 394 | 580 |
30″ | 750 | 6.50 | 165 | 11.50 | 292 | 22.38 | 580 | 60.03 | 1525 | 38.75 | 985 | 36.00 | 914 | 33.75 | 857 | M33 | 28-35 | 476 | 717 |
32″ | 800 | 7.50 | 190 | 12.50 | 318 | 24.80 | 630 | 62.40 | 1585 | 41.75 | 1060 | 38.50 | 978 | 36.00 | 914 | M39 | 28-41 | 618 | 880 |
36″ | 900 | 8.00 | 200 | 13.00 | 330 | 26.77 | 680 | 69.48 | 1765 | 46.00 | 1168 | 42.75 | 1085 | 40.25 | 1022 | M39 | 32-41 | 762 | 1042 |
在线留言