电动球阀

电动高温法兰球阀QJ941M-25C
产品简介
News Center
新闻中心产品特点:
在一些使用场合内,电动高温球阀可替代传统的蒸汽闸阀、蒸汽截止阀和快速排污阀。电动高温球阀的密封座采用了强度较高的碳结石墨,具备耐高温、耐磨损、耐流体腐蚀、回弹性好以及良好的润滑性能。其适用介质包括水蒸汽、各类油品、导热油、酸性物质等。
QJ941M-25C电动高温法兰球阀主要零件材料:

QJ941M-25C电动高温法兰球阀主要性能参数:

QJ941M-25C电动高温法兰球阀执行标准:

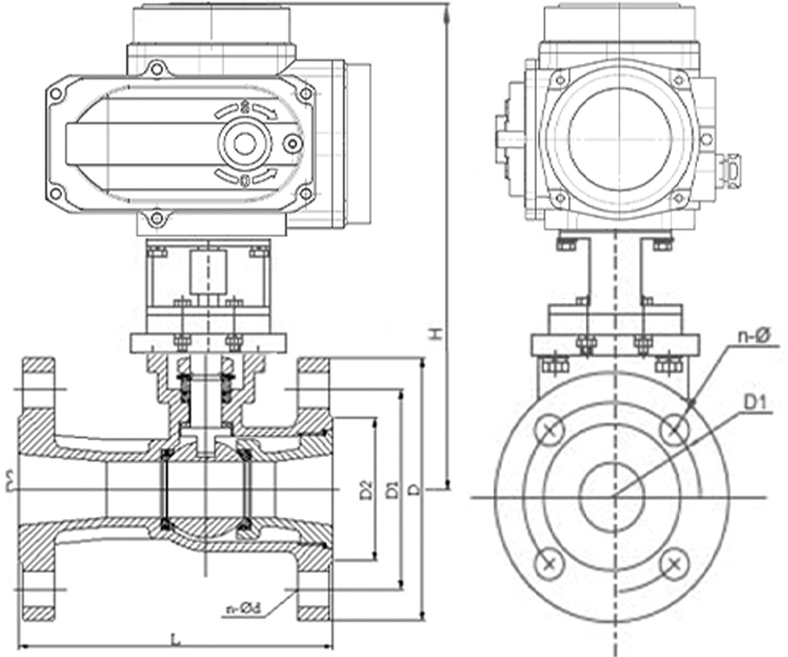
QJ941M-25C电动高温法兰球阀结构图:

QJ941M-25C电动高温法兰球阀主要外形连接尺寸:

在线留言