电动蝶阀

电动沟槽蝶阀 D981X-16Q
产品简介
News Center
新闻中心产品特性:
1.沟槽式的连接相比法兰轻螺栓数量少、作业仅需一把板手即可。
2.沟槽连接对比法兰连接施工总费用节约10-20%左右。
3.占用空间小,沟槽的连接方式与法兰相比占空间为2:3,紧固螺栓无方向性,特别适合用于空间狭小的地方。
4.安装快速,不需焊接,安装速度比法兰连接快3倍以上。
5.隔振管末端可阻断噪音及防止震动的传播,C型胶圈充分发挥吸音及减振作用。使用柔性接头更能解决管路热胀冷缩。
6.安全施工现场不动火,管路内无焊接渣污染,特别适合禁火工地作业。
7.可靠科学合理的设计为管路提供可靠耐久的三重保障。
D981X-16Q电动沟槽蝶阀主要零件材料:

D981X-16Q电动沟槽蝶阀主要性能参数:

D981X-16Q电动沟槽蝶阀执行标准:

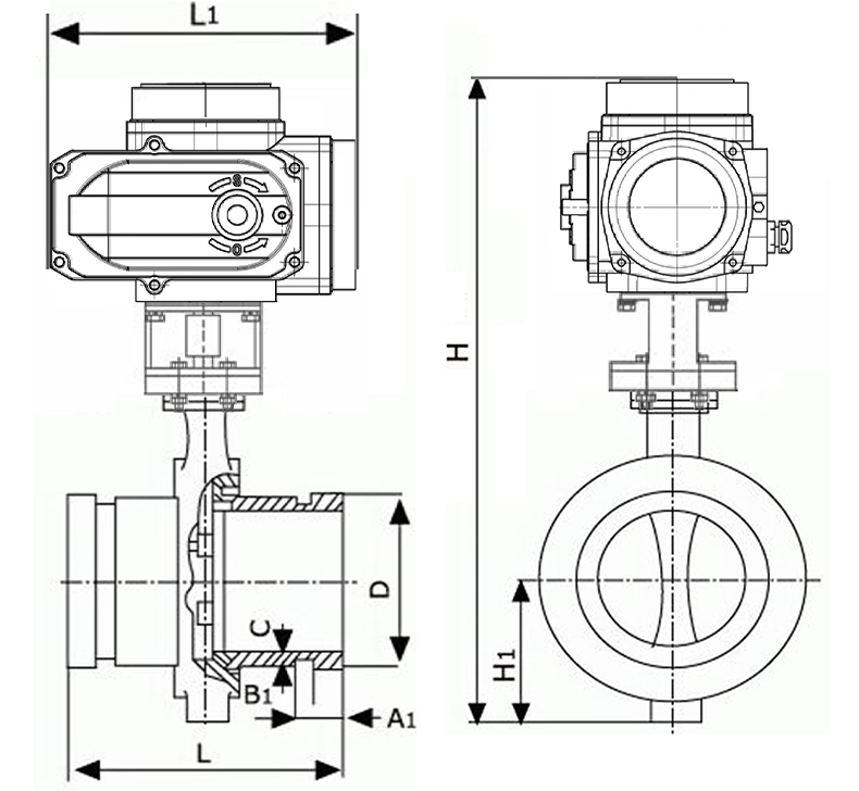
D981X-16Q电动沟槽蝶阀结构图:

D981X-16Q电动沟槽蝶阀主要外形连接尺寸:

在线留言