排气阀

管道排气阀
产品简介
News Center
新闻中心产品名称:管道排气阀
产品型号:CARX
公称通径:DN15~DN200
结构形式:浮球式
公称压力:1.6MPa-2.5MPa
连接方式:法兰式
适用温度:-29ºC~+80ºC
驱动方式:自动
阀体材质:铸铁、铸钢、不锈钢
制造标准:国标GB、德国DIN、美国API、ANSI
适用介质: 给排水、清水等
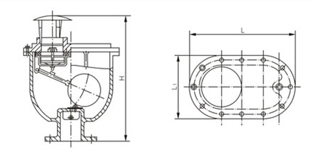
CARX管道排气阀用于管路上的最高点或有闭气的地方,排除管内的气体来疏通管道,达到正常工作,如不装排气阀,管内流动的液体产生动热引起气体,形成短路,使管道出水容量达不到要求,其次,管道运转时出现停电、停泵管道会出现负压力,而会引起管道振动或破裂,排(吸)气阀就迅速把空气吸入管内,防止管道振动或破裂。本阀装设于泵埔出口处或送配水管线中,用以大量排除管道中的集结之空气,以增进水管及抽水机使用效率,且与管内一旦出现负压时,此阀能迅速吸入空气,以保管线因负压所产生损坏。
当管内开始注水时,塞头停留在开启位置,进行大量排气,当空气排完时,阀内积水浮球被浮起,传动塞头至关闭位置,停止大量排气;当管内水正常输送时,如有少量空气聚集在阀内到相当程度,阀内水位下降,浮球随之下降,此时空气则由小孔排出。当抽水机停止,管内水流空时,或遇管内产生负压时,此时塞头开启,吸入空气确保管线安全。
名称 | 材质 |
阀体 | HT200 |
阀盖 | HT200 |
浮球 | SUS 304 |
杠杆架 | 铸铜ZH59 |
杆 | 铸铜ZH59 |
塞头 | 丁睛橡胶NBR |
规格DN | 25 | 50 | 80 | 100 | 150 | 200 | 250 | 300 | 350 | 400 |
立方米/小时 | 2-88 | 85-352 | 22-904 | 34-1413 | 76-3179 | 135-8831 | 212-8831 | 305-12717 | 415-17309 | 542-22608 |

公称通径DN(mm) | 尺寸(mm) | ||||
L | L1 | H | Z | d | |
15 | 280 | 176 | 330 | -- | -- |
20 | 280 | 176 | 330 | -- | -- |
25 | 280 | 176 | 330 | -- | -- |
32 | 280 | 176 | 330 | -- | -- |
50 | 300 | 190 | 445 | 4 | 18 |
65 | 360 | 200 | 475 | 4 | 18 |
80 | 365 | 210 | 500 | 8 | 18 |
100 | 390 | 245 | 560 | 8 | 18 |
150 | 460 | 275 | 605 | 8 | 22 |
200 | 537 | 330 | 686 | 8 | 22 |
CARX管道排气阀的安装位置直接影响着排气效果和管道的运行状态。设计人员在设计时,往往局限于局部最高点,排气阀安装位置有多种,只有对整个管道综合考虑,才能使排气效果达到最佳。常见的安装地点有以下几个位置:局部最高点、下降坡度变大点、上升坡度变小点、长距离无折点上升或下降管段。
在线留言