减压阀

200P可调式减压阀
产品简介
News Center
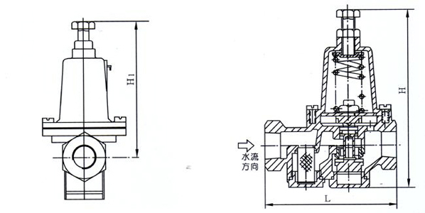
新闻中心200P直接作用可调减压阀由主阀和导阀两部分组成。 200P直接作用可调减压阀导阀主要由阀座、阀瓣、膜片、弹簧、调节弹簧等零件组成。通过调节调节弹簧压力设定出口压力,从而利用膜片传感出口压力变化,来控制导阀启闭驱动活塞调节主阀节流部位过流面积的大小,实现减压稳压功能。
公称压力(Mpa) | 1.0 | 1.6 |
壳体试验压力(Mpa)* | 1.5 | 2.4 |
密封试验压力(Mpa) | 1.0 | 1.6 |
最高进口压力(Mpa) | 1.0 | 1.6 |
出口压力范围(Mpa) | 0.09-0.8 | 0.1-1.2 |
压力特性偏差(Mpa)△P2P | GB12246-1989 | |
流量特性偏差(Mpa)△P2G | GB12246-1989 | |
渗漏量 | 0 | |
工作温度 | 0℃-80℃ | |
零件名称 | 零件材料 |
阀体 阀盖 | 铜合金 |
阀座 | H62 |
阀瓣 | H62 |
阀杆 | H62 |
O型圈 | 丁腈橡胶 |
密封圈 | 丁腈橡胶 |
膜片 | 夹织物丁腈橡胶 |
调节弹簧 | 60Si2Mn |
过滤器 | 不锈钢 |
DN | 15(1/2") | 20(3/4") | 25(1") | 32(1-1/4") | 40(1-1/2") | 50(2") |
Cv | 0.5 | 0.6 | 1.2 | 1.8 | 3.0 | 5.0 |

DN | G | L | H1 | H | D |
15(1/2") | G1/2" | 112 | 40 | 150 | 75 |
20(3/4") | G3-4" | 140 | 55 | 190 | 90 |
25(1") | G1" | 140 | 55 | 195 | 90 |
32(1-1/4") | G1-1/4" | 165 | 55 | 212 | 98 |
40(1-1/2") | G1-1/4" | 190 | 55 | 215 | 98 |
50(2") | G2" | 200 | 65 | 265 | 120 |
在线留言