止回阀

低温承插焊接止回阀DN40PN40
产品简介
News Center
新闻中心焊接低温止回阀是指用于低温液体(主要包括液氧、液氮、液氩、液态烃和液化天然气等)贮运设备的管理系统中防止低温介质倒流的阀门。主要应用于气体液化设备、空分设备,天然气液化、储运设备,液态氧、氮、氩、氢、二氧化碳低温贮槽及槽车,变压吸附制氧、氮设备。
公称通径 | DN10~200mm |
公称压力 | PN1.6~6.4MPa |
适用介质 | 液氧、液氮、液氩、液化天然气、液态二氧化碳、液态丙烷等 |
适用温度 | -196℃~+80℃ |
连接方式 | 承插焊、对焊 |
安装方式 | 水平 |
阀体 | SS304、SS316、SS304L、SS316L |
阀盖 | SS304、SS316、SS304L、SS316L、H62 |
阀瓣 | SS304、SS316、SS304L、SS316L、H62 |
填料、密封圈 | PTFE |

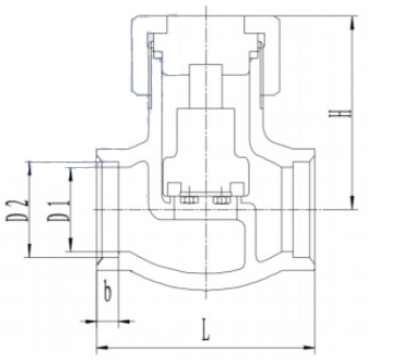
型号 | 通经DN | DI | D2 公制 | D2 (Y) 英制 | L | H | b |
DH10W | 10 | 12 | 14.5 | 18 | 60 | 50 | 5 |
DH15W | 15 | 15 | 18.5 | 22 | 60 | so | 5 |
DH20W | 20 | 24 | 25.5 | 27.5 | 80 | 60 | 6 |
DH25W | 25 | 26 | 28.5/32.5 | 34.5 | 80 | 60 | 6 |
DH32W | 32 | 36 | 38.5 | 43.5 | 100 | 70 | 8 |
DH40W | 40 | 42 | 45.5 | 49.5 | 100 | 70 | 8 |
在线留言