止回阀

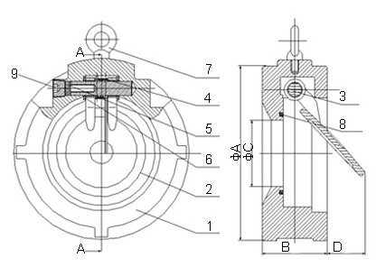
H74W对夹式单瓣止回阀
产品简介
News Center
新闻中心产品型号:H74H/N/X/W
产品口径:DN50-300mm
产品压力:1-2.5Mpa
产品材质:铸铁、铸钢、不锈钢
适用介质:水、气、油
适用温度:-20℃-425℃
1、结构长度短;
2、体积小、重量轻;
3、阀瓣关闭快速,水锤压力小;
4、水平管道或垂直管道均可使用,安装方便;
5、流道通畅、流体阻力小;
6、动作灵敏、密封性能好;
7、阀瓣行程短、关阀冲击力小;
8、整体结构、简单紧凑、造型美观;
9、使用寿命长、可靠性高。
零件名称 | 材料 |
阀体、阀瓣 | 碳素钢、不锈钢、铬钼钢 |
吊环 | 碳素钢、不锈钢 |
摇臂(长型) | 碳素钢、不锈钢、铬钼钢 |
密封面 | 丁晴橡胶、不锈钢、聚四氟乙烯、尼龙塑料 |
型号 | 公称压力(MPa) | 试验压力Ps(MPa) | 工作温度(℃) | 适用介质 | 阀体材质裁 | ||
壳体 | 密封 | 软密封 | 硬密封 | ||||
H76X/H H46X/H | 1.0 | 1.5 | 1.1 | ≤80或(or) ≤150 | ≤200 | 水、油、水(蒸汽) 酸碱等介质 | 碳素不锈钢、铬钼钢等 |
1.6 | 2.4 | 1.8 | |||||
2.5 | 3.8 | 2.8 | |||||
4.0 | 6.0 | 4.4 | |||||

DN(mm) | L | d | D | |||
Pn10 | Pn16 | Pn25 | Pn40 | |||
50 | 43 | 25 | 109 | 109 | 109 | 109 |
65 | 46 | 38 | 129 | 129 | 129 | 129 |
80 | 51 | 46 | 144 | 144 | 144 | 144 |
100 | 64 | 71.5 | 164 | 164 | 170 | 170 |
125 | 70 | 95 | 194 | 194 | 196 | 196 |
150 | 98 | 114 | 221 | 221 | 226 | 226 |
200 | 127 | 140 | 275 | 275 | 286 | 293 |
250 | 146 | 188 | 330 | 331 | 343 | 355 |
在线留言