止回阀

H42W立式止回阀
产品简介
News Center
新闻中心产品型号:H42W/H
公称通径:DN15-DN600
公称压力:1.6Mpa-6.4Mpa
适用温度:-30℃~425℃
适用介质:水、油品、蒸汽
阀体材质:不锈钢
连接方式:法兰连接
设计规范 | GB/T 12235;BS 1868 |
结构长度 | GB/T 12221;ASME B16.10 |
法兰连接 | GB/T 9113;ASME B16.5 |
试验检验 | GB/T 13927;API 598;API 6D |
| 型号 | 公称压力 | 试验压力P3(MPa) | 适用温度(℃) | 适用介质 | |
| PN(MPa) | 壳体 | 密封 | |||
| H42W-16C | 1.6 | 2.4 | 1.76 | ≤425 | 水、油品 |
| H42W-16P | ≤200 | 弱腐蚀介质 | |||
| H42W-25P | 2.5 | 3.75 | 2.75 | ||
| H42W-25R | 腐蚀性介质 | ||||
| H42W-40P | 4 | 6 | 4.4 | 弱腐蚀性介质 | |
| H42W-40R | 腐蚀性介质 | ||||
| H42Y-40 | 水、油品 | ||||
| 零件名称 | 阀体、阀瓣 | 导向阀 | 密封面 |
| H42W-16C | 碳钢 | 碳钢 | 碳钢 |
| H42W-16P | 铬镍钛不锈钢 | 铬镍钛不锈钢 | 铬镍钛不锈钢 |
| H42W-25P | |||
| H42W-40P | |||
| H42W-25R | 铬镍钼钛不锈钢 | 铬镍钼钛不锈钢 | 铬镍钼钛不锈钢 |
| H42W-40R | |||
| H42Y-40 | 碳钢 | 碳钢 | 堆焊硬质合金 |

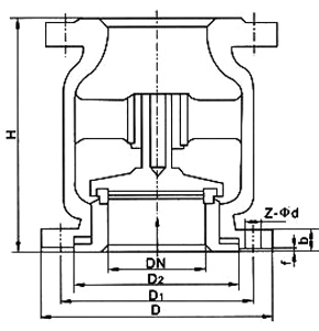
公称通径DN | L | D | D1 | D2 | b | f | Z-фd |
25 | 115 | 115 | 85 | 65 | 16 | 2 | 4-ф14 |
32 | 120 | 135 | 100 | 78 | 18 | 3 | 4-ф18 |
40 | 130 | 145 | 110 | 85 | 18 | 3 | 4-ф18 |
50 | 140 | 160 | 125 | 100 | 20 | 3 | 4-ф18 |
65 | 160 | 180 | 145 | 120 | 22 | 3 | 8-ф18 |
80 | 185 | 195 | 160 | 135 | 22 | 3 | 8-ф18 |
100 | 210 | 230 | 190 | 160 | 24 | 3 | 8-ф23 |
125 | 250 | 270 | 220 | 168 | 28 | 3 | 8-ф25 |
150 | 300 | 300 | 250 | 218 | 30 | 3 | 8-ф25 |
200 | 380 | 360 | 310 | 278 | 34 | 3 | 12-ф25 |
在线留言