截止阀

J41B氨用截止阀
产品简介
News Center
新闻中心产品名称:J41B,J41F氨用截止阀
产品型号:J41B、J41F
公称通径:DN10-300
压力范围:1.6MPa-2.5MPa
阀体材质:铸铁、铸钢、不锈钢
J41B、J41F氨用截止阀专为氨气、燃气的管路或装置设计。结构上注意了防火要求。填料采用聚四氟乙烯,密封可靠、绝对物外漏。密封副材料采用聚四氟乙烯,为软密封,密封可靠。适用于氨气,液化石油气氟气管路系统,作为启闭装置,也适用于其他温度≤150℃的管路。氨用截止阀具有密封性能稳定、使用安全可靠、耐腐蚀性强、无介质内、外漏以及操作轻便等特点,成功解决了化工管道用普通阀门耐腐蚀性能差、壳体易穿孔以及密封性能差、易泄露的难题,特别适用于化工行业氨气,燃气管道的传送,并满足长期可靠使用的要求。其密封性、可维修性、安全性等。
1.针对普通阀门耐腐蚀性能差、壳体易穿孔的缺点,根据介质具体特性,氨气专用阀在阀体材料上选用耐腐蚀钢(低温碳素钢添加耐蚀合金元素),可耐氨气、液氨腐蚀,低温可至-40℃,最大限度保证工况条件使用要求。
2.氨用截止阀密封副配对结构型式采用球、平面型,密封自动补偿,达到双重保险的效果,密封性能稳定,无粘着磨损,有效地解决了化工管道用普通阀门密封性能差、易泄露的难题。
3.产品中法兰采用凹凸密封结构,即使在管道压力波动的情况下,保证中法兰密封可靠。
4.上密封装置中采用多级聚四氟乙烯密封材料,形成组合密封,确保阀门在使用期限内填料函无介质泄露,消除了普通阀门填料函密封薄弱、介质易外漏,甚至造成事故的可能。
氨用截止阀密封面采用进口四氟,密封性能好,使用寿命长。氨用截止阀经常要用到氨气、氮气、氢气、氩气.氟气等气体/(液体)。这些气体一般都是贮存在专用贮罐中。使用时通过氨用截止阀开启,再经过其它控制阀门细调,使气体输入使用系统。氨阀的法兰常用凹凸面的,氨用截止阀主要设计参数: 氨用截止阀适用介质:氨气、氨液等。适用温度:巴氏合金-40+150℃,四氟-40℃+200℃。
| 零件名称 | 阀体、阀盖 | 密封圈 | 填料 | 填料压盖 | 阀杆 | 垫片 |
| j41b-25c | 铸钢 | 巴氏合金 | 聚四氟 乙烯 | 碳钢 | 聚四氟 乙烯 | |
| j41b-25z | 灰铸铁 | |||||
| j41b-25p | 不锈钢 | 不锈钢 | ||||
| j41f-25z | 灰铸铁 | 碳钢 | ||||
| 公称压力pn(mpa) | 试验压力ps(mpa) | 适用介质 | 适用温度(℃) | |
| 2.5 | 3.8 | 氨气、 氨液等 nh3 | 巴氏合金 -40℃ +150℃ | 四氟 -40℃ +200℃ |
| 4.0 | 6.4 | |||

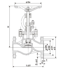
| 公称通径 dn(mm) | 尺寸(mm) | |||||||||||
| l | d | d1 | d2 | d4 | b | f | f1 | z-φd | 关 | 开 | d3 | |
| 10 | 130 | 90 | 60 | 40 | 35 | 16 | 2 | 4 | 4-φ14 | 165 | 185 | 110 |
| 15 | 130 | 95 | 65 | 45 | 40 | 16 | 2 | 4 | 4-φ14 | 165 | 185 | 110 |
| 20 | 150 | 105 | 75 | 55 | 51 | 18 | 2 | 4 | 4-φ14 | 170 | 200 | 120 |
| 25 | 160 | 115 | 85 | 65 | 58 | 18 | 2 | 4 | 4-φ14 | 197 | 210 | 120 |
| 32 | 180 | 135 | 100 | 78 | 66 | 20 | 2 | 4 | 4-φ18 | 199 | 213 | 140 |
| 40 | 200 | 145 | 110 | 85 | 76 | 20 | 3 | 4 | 4-φ18 | 248 | 264 | 160 |
| 50 | 230 | 160 | 125 | 100 | 88 | 22 | 3 | 4 | 4-φ18 | 265 | 295 | 180 |
| 65 | 290 | 180 | 145 | 120 | 110 | 24 | 3 | 4 | 8-φ18 | 310 | 349 | 220 |
| 80 | 310 | 195 | 160 | 135 | 121 | 26 | 3 | 4 | 8-φ18 | 340 | 357 | 240 |
| 100 | 350 | 230 | 190 | 160 | 150 | 30 | 3 | 4.5 | 8-φ23 | 380 | 413 | 280 |
| 125 | 400 | 270 | 220 | 188 | 176 | 32 | 3 | 4.5 | 8-φ25 | 430 | 451 | 320 |
| 150 | 480 | 300 | 250 | 218 | 204 | 32 | 3 | 4.5 | 8-φ25 | 505 | 492 | 360 |
| 200 | 600 | 360 | 310 | 278 | 260 | 34 | 3 | 4.5 | 12-φ25 | 550 | 806 | 400 |
| 250 | 650 | 425 | 370 | 335 | 31 | 36 | 3 | 4.5 | 12-φ30 | 730 | 880 | 450 |
| 300 | 750 | 485 | 430 | 390 | 364 | 40 | 3 | 4.5 | 16-φ30 | - | 995 | 550 |
在线留言