气动蝶阀

D671F46气动衬氟对夹蝶阀
产品简介
News Center
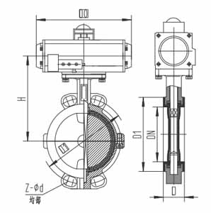
新闻中心阀门型号:D671F46,D641F46,D671F4,D641F4
通径规格:DN50~DN2000
结构形式:中线型,对夹式
阀体材料:铸钢WCB、不锈钢304、不锈钢316
公称压力:PN6、PN10、PN16
适用温度:-20℃~180℃
应用范围:弱腐蚀性流体及强酸介质等
气缸选配:AT系列、AW系列、AT Series、AW Series
气缸形式:双作用、单作用(弹簧复位)
控制方式:开关型、调节型、三段式(开度可调)
密封材质:丁晴橡胶(X)、聚四氟乙烯(F)、全内衬四氟乙烯(F46)
设计标准 | GB/12238 |
结构长度 | GB/12221 |
连接法兰尺寸 | GB/12221 |
实验和检验 | JB/T9092 |
零件名称 | 材料名称 |
阀体 | 铸铁、铸钢、不锈钢、铬钼钢、合金钢 |
蝶板 | 铸钢、合金钢(镀硬铬)、不锈钢、铬钼钢 |
密封圈 | 橡胶、PTFE、PPL、不锈钢、聚内脂、抗磨材料 |
阀杆 | 2Cr13、1Cr13不锈钢、铬钼钢 |
填料 | 聚四氟乙烯、柔性石墨 |

公称通径 | 主要尺寸 | |||||||||||||
DN | L | D | D1 | D2 | f | b | z-d | D | D1 | D2 | f | b | z-d | |
mm | inch | 法兰 | PN0.6MPa | PN1.0MPa | ||||||||||
40 | 11/2 | 106 | 130 | 100 | 80 | 3 | 14 | 4-14 | 150 | 110 | 85 | 3 | 18 | 4-18 |
50 | 2 | 108 | 140 | 110 | 90 | 3 | 14 | 4-14 | 165 | 125 | 100 | 3 | 18 | 4-18 |
65 | 2i/2 | 112 | 160 | 130 | 110 | 3 | 14 | 4-14 | 185 | 145 | 120 | 3 | 18 | 4-18 |
80 | 3 | 114 | 190 | 150 | 125 | 3 | 16 | 4-18 | 200 | 160 | 135 | 3 | 20 | 8-18 |
100 | 4 | 127 | 210 | 170 | 145 | 3 | 16 | 4-18 | 220 | 180 | 155 | 3 | 20 | 8-18 |
125 | 5 | 140 | 240 | 200 | 175 | 3 | 18 | 8-18 | 250 | 210 | 185 | 3 | 22 | 8-18 |
150 | 6 | 140 | 265 | 225 | 200 | 3 | 18 | 8-18 | 285 | 240 | 210 | 3 | 22 | 8-22 |
200 | 8 | 152 | 320 | 280 | 255 | 3 | 20 | 8-18 | 340 | 295 | 265 | 3 | 24 | 8-22 |
250 | 10 | 165 | 375 | 335 | 310 | 4 | 22 | 12 -18 | 395 | 350 | 320 | 4 | 26 | 12-22 |
300 | 12 | 178 | 440 | 395 | 363 | 4 | 22 | 12-22 | 445 | 400 | 370 | 4 | 26 | 12-22 |
350 | 14 | 190 | 490 | 445 | 413 | 4 | 22 | 12-22 | 505 | 460 | 430 | 4 | 26 | 16-22 |
400 | 16 | 216 | 540 | 495 | 463 | 4 | 22 | 16-22 | 565 | 515 | 480 | 4 | 26 | 16-26 |
450 | 18 | 222 | 595 | 550 | 518 | 4 | 22 | 16-22 | 615 | 565 | 530 | 4 | 28 | 20-26 |
500 | 20 | 229 | 645 | 600 | 568 | 4 | 24 | 20-22 | 670 | 620 | 580 | 4 | 28 | 20-26 |
600 | 24 | 267 | 755 | 705 | 667 | 5 | 30 | 20-26 | 780 | 725 | 680 | 5 | 34 | 20-30 |
700 | 28 | 292 | 860 | 810 | 772 | 5 | 24 | 24-26 | 895 | 840 | 795 | 5 | 34 | 24-30 |
800 | 32 | 318 | 975 | 920 | 878 | 5 | 24 | 24-30 | 1015 | 950 | 900 | 5 | 36 | 24-33 |
900 | 36 | 330 | 1075 | 1020 | 980 | 5 | 26 | 24-30 | 1115 | 1050 | 1000 | 5 | 38 | 28-33 |
1000 | 40 | 410 | 1175 | 1120 | 1080 | 5 | 26 | 28-30 | 1230 | 1160 | 1115 | 5 | 38 | 28-36 |
1200 | 48 | 470 | 1405 | 1340 | 1295 | 5 | 28 | 32-33 | 1455 | 1380 | 1330 | 5 | 44 | 32-39 |
在线留言