气动蝶阀

气动真空蝶阀
产品简介
News Center
新闻中心产品型号:GIQ
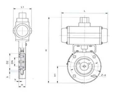
公称通径:DN32-DN1200
适用温度:-30℃~150℃
适用介质:纯净空气,非腐蚀性气体
连接标准:JB/T919;GB/T6070
阀体材质:碳钢、不锈钢
密封件:丁腈橡胶、氟橡胶
气源压力:0.4MPa~0.6MPa
适用范围(Pa) | 105~1.3x10-5 |
阀门漏率(Pa.L/S) | ≤1.3x10-6 |
介质温度(℃) | -25~+80(密封材料为丁腈橡胶) |
气源压力(MPa) | 0.4~0.6 |
法兰标准 | JB919 |
安装位置 | 任意 |
电源电压 | 标准出厂:AC220V/50Hz |
信号反馈 | 标准出厂:不带反馈信号 |
| 零件名称 | 材质 |
| 本体 | A351 Gr.CF8 |
| 阀瓣 | A351 Gr.CF8 |
| 阀杆 | A351 Gr.CF8 |
| 阀座 | PTFE |

DN | 40 | 50 | 65 | 80 | 100 | 150 | 200 | 250 | 300 | 400 | 500 |
D | 85 | 110 | 125 | 145 | 170 | 220 | 275 | 330 | 380 | 500 | 600 |
Do | 70 | 90 | 105 | 125 | 145 | 195 | 250 | 300 | 350 | 465 | 565 |
D1 | 44 | 55 | 70 | 85 | 105 | 156 | 208 | 258 | 308 | 408 | 510 |
B | 22 | 22 | 26 | 30 | 30 | 35 | 40 | 45 | 55 | 60 | 80 |
H | 162 | 175 | 198 | 208 | 220 | 272 | 330 | 335 | 426 | 520 | 643 |
B1 | 90 | 90 | 102 | 102 | 102 | 115 | 205 | 205 | 152 | 180 | 220 |
L | 104 | 104 | 140 | 140 | 140 | 164 | 190 | 190 | 247 | 308 | 378 |
n-φc | 4-φ7 | 4-φ9 | 4-φ9 | 4-φ9 | 4-φ12 | 8-φ12 | 8-φ12 | 8-φ14 | 8-φ14 | 8-φ18 | 12-φ18 |
在线留言