手动蝶阀

D71X软密封蝶阀
产品简介
News Center
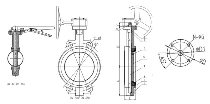
新闻中心D71X软密封蝶阀是由手柄和蝶阀组成,连接方式为对夹连接。选用不同的密封介质可以适用于不同的场合,密封面有丁晴橡胶(适用温度≤80℃)、聚四氟乙烯(适用温度≤150℃),广泛适用于液体、粉体、和颗粒物场合。选用衬氟对夹蝶阀可以使用在腐蚀性高的场合。因为驱动力为手柄,使用在口径较小的场合。
| 零件名称 | 材料 |
|---|---|
| 阀体 | 球墨铸铁、铸钢、合金钢、不锈钢 |
| 蝶板 | 铸钢、不锈钢及特殊材料 |
| 密封圈 | 各种橡胶、聚四氟 |
| 阀杆 | 2Cr13、不锈钢 |
| 填料 | O型圈、柔性石墨O |
| 设计标准 | GB12238 |
|---|---|
| 结构长度 | GB12221 |
| 法兰标准 | JB/T79-94 |
| GB9113.1-26 | |
| 检验试验 | GB/T13927 |
| 驱动方式 | 蜗轮、手动、电动、气动 |

| SIZE | A | B | C | L | DIN PN 10 | DIN PN 16 | ANSI 150LB | JIS 10K | ISO 5211 | Top | |||||||
| mm | in | øK | N-ød | øK | N-ød | øK | N-ød | øK | N-ød | øD | øD1 | N-øG | Flange | ||||
| 40 | 1.5" | 67 | 141 | 32 | 33 | 110 | 4-ø18 | 110 | 4-ø18 | 98.5 | 4-ø16 | 105 | 4-ø19 | 65 | 50 | 4-ø8 | F05 |
| 50 | 2" | 67 | 141 | 32 | 43 | 125 | 4-ø18 | 125 | 4-ø18 | 120.6 | 4-ø19 | 120 | 4-ø19 | 65 | 50 | 4-ø8 | F05 |
| 65 | 2½" | 75 | 151 | 32 | 46 | 145 | 4-ø18 | 145 | 4-ø18 | 139.7 | 4-ø19 | 140 | 4-ø19 | 65 | 50 | 4-ø8 | F05 |
| 80 | 3" | 95 | 160 | 32 | 46 | 160 | 8-ø18 | 160 | 8-ø18 | 152.4 | 4-ø19 | 150 | 8-ø19 | 65 | 50 | 4-ø8 | F05 |
| 100 | 4" | 111 | 180 | 32 | 52 | 180 | 8-ø18 | 180 | 8-ø18 | 190.5 | 8-ø19 | 175 | 8-ø19 | 90 | 70 | 4-ø10 | F07 |
| 125 | 5" | 129 | 193 | 32 | 56 | 210 | 8-ø18 | 210 | 8-ø18 | 215.9 | 8-ø22.4 | 210 | 8-ø23 | 90 | 70 | 4-ø10 | F07 |
| 150 | 6" | 142 | 207 | 32 | 56 | 240 | 8-ø22 | 240 | 8-ø22 | 241.3 | 8-ø22.4 | 240 | 8-ø23 | 90 | 70 | 4-ø10 | F07 |
| 200 | 8" | 170 | 240 | 45 | 60 | 295 | 8-ø22 | 295 | 12-ø22 | 298.4 | 8-ø22.4 | 290 | 12-ø23 | 125 | 102 | 4-ø12 | F10 |
在线留言