手动蝶阀

卫生级蝶阀
产品简介
News Center
新闻中心卫生级蝶阀钢件均由食品级不锈钢制作,密封材质为食品橡胶,卫生质量高,按照连接方式不同,可分为外螺纹、卡箍、对焊、三片式焊接等多种形式。
卫生级蝶阀内外用高档抛光设备处理,光滑表面确保清洁,无介质积存区域,不会产生潜在的污染,广泛应用于如食品、制药、化妆品、洁净蒸汽、酒类、饮料、生化工业过程控制场合。
卫生级蝶阀常用于对卫生等级要求很高的场所,可以满足食品、生物制药领域各种介质的特殊要求,其光滑、无缝、自动排空手工艺流体通道,还非常适用于蒸汽及其它就地清洗的需要。
1、采用高精度数控车床精车阀体,保证了蝶阀可靠的互换性,免去了因更换橡胶而不能保证其使用性能的麻烦。
2、阀杆镶装尼龙轴套,减小了磨擦力,因而开启灵活轻松。
3、钢件均采用不锈钢制作,橡胶采用食品橡胶,卫生质量高。
4、阀体通径与管道内径等径,开启时窄而呈流线型的阀板与流体方向*,流量大而阻力小,无物料积聚。
5、手柄采用扳动式和拉动式,可承受较大操作力矩,不易扳断。
6、开闭范围为0~90°,可固定于每隔15°的位置上,具有可调性,且开闭迅速,操作方便。
7、阀体均采用可拆连接,结构简单,维修方便。
8、造型轻巧美观,表面光亮而不粘尘,无毛刺扎手。
9、经过严密的强度和密封试验,保证质量。
10、抽样进行不低于 30000 次的疲劳寿命试验,保证了其使用寿命。
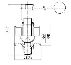
| 公称通径 | DN50~DN108(MM) |
| 公称压力 | PN0.6、1.0、1.6MPa |
| 连接方式 | 外螺纹、三片式焊接、卡箍、对焊 |
| 适用温度 | -20℃~180℃ |
| 动作范围 | 0~90° |
| 密封材质 | 丁晴橡胶(X)、氟橡胶(FKM)、三元乙丙橡胶(E) |
| 阀体材质 | 不锈钢 |

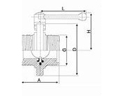
规格(ISO) | A | B | D | L | H | 重量(Kg) |
20 | 66 | 78 | 50.5 | 130 | 82 | 1.35 |
25 | 66 | 78 | 50.5 | 130 | 82 | 1.35 |
32 | 66 | 78 | 50.5 | 130 | 82 | 1.2 |
38 | 70 | 86 | 50.5 | 130 | 86 | 1.3 |
51 | 76 | 102 | 64 | 140 | 96 | 1.85 |
63 | 98 | 115 | 77.5 | 150 | 103 | 2.25 |
76 | 98 | 128 | 91 | 150 | 110 | 2.6 |
89 | 102 | 139 | 106 | 170 | 116 | 3.0 |
102 | 106 | 154 | 119 | 170 | 122 | 3.6 |
108 | 106 | 159 | 119 | 170 | 126 | 3.6 |
133 | 140 | 185 | 145 | 190 | 138 | 6.5 |
159 | 260 | 215 | 172 | 190 | 153 | 11 |

规格(ISO) | A | B | D | L | H | 重量(Kg) |
20 | 50 | 78 | 19.05 | 130 | 82 | 1.2 |
25 | 50 | 78 | 25.4 | 130 | 82 | 1.2 |
32 | 50 | 78 | 31.8 | 130 | 82 | 1.05 |
38 | 50 | 86 | 38.1 | 130 | 86 | 1.2 |
51 | 52 | 102 | 50.8 | 140 | 96 | 1.7 |
63 | 56 | 115 | 63.5 | 150 | 103 | 2.1 |
76 | 56 | 128 | 76.1 | 150 | 110 | 2.4 |
89 | 60 | 139 | 88.9 | 170 | 116 | 2.7 |
102 | 64 | 154 | 101.6 | 170 | 122 | 3.05 |
108 | 64 | 159 | 108 | 170 | 126 | 3.15 |
133 | 80 | 138 | 133 | 190 | 138 | 5.2 |
159 | 90 | 215 | 159 | 190 | 153 | 9.2 |

规格(ISO) | A | B | D | L | H | 重量(Kg) |
25 | 66 | 78 | 40×1/6 | 130 | 82 | 1.3 |
32 | 66 | 78 | 48×1/6 | 130 | 82 | 1.3 |
38 | 70 | 86 | 60×1/6 | 130 | 86 | 1.7 |
51 | 76 | 102 | 70×1/6 | 140 | 96 | 2.2 |
63 | 80 | 115 | 85×1/6 | 150 | 103 | 2.9 |
76 | 84 | 128 | 98×1/6 | 150 | 110 | 3.4 |
89 | 90 | 139 | 110×1/6 | 170 | 116 | 3.9 |
102 | 104 | 159 | 132×1/6 | 170 | 126 | 5.5 |
在线留言