气动球阀

Q641F46气动衬氟法兰球阀
产品简介
News Center
新闻中心产品型号:Q941F46
公称通径:DN15-DN300
公称压力:0.6MPa、1.0MPa、1.6MPa
结构形式:两段式阀体(全衬氟球体)
动作范围:0~90°
使用温度:聚四氟乙烯PTFE:-29℃~180℃
适用介质:弱腐蚀性介质以及强酸强碱等
1、采用氟塑料密封,具有高的化学稳定性,可以适用于任何强腐蚀性化学介质。
2、采用全通径、浮动球结构,阀门可在整个压力范围内进行无泄漏关闭,更便于管路系统的通球扫线和管路维护。
3、启闭件球体与阀杆铸锻为一体,杜绝了由于压力变化引起阀杆冲击承压件内的可能性,从根本上保证了工程中的使用安全性。
4、结构紧凑合理,阀体内腔控制小,减小了介质滞留,另外,特殊的模压工艺,使密封面致密度良好,加之人字型PTFE填料组合,使阀门达到零泄漏。
零件名称 | 材料名称 | |||
阀体、阀盖 | WCB+F46 | 304(CF8)+F46 | 316(CF8M)+F46 | 316L(CF3M)+F46 |
球体 | 2Cr13+F46 | 304+F46 | 316+F46 | 316L+F46 |
阀杆 | 2Cr13+F46 | 304+F46 | 316+F46 | 316L+F46 |
阀座密封圈 | PTFE、碳素纤维+PTFE | |||
密封填料 | 聚四氟乙烯填料 | |||
公称通径(mm) | 15 | 20 | 25 | 32 | 40 | 50 | 65 | 80 | 100 | 125 | 150 | 200 | 250 | 300 |
公称压力(MPa) | PN1.0、1.6MPa | |||||||||||||
泄漏量 | 软密封:零泄漏 | |||||||||||||
阀体形式 | 两段式阀体(浮动球体) | 两段式阀体(固定球体) | ||||||||||||
阀芯形式 | "O"型球形阀芯 | |||||||||||||
密封填料 | 聚四氟乙烯(PTFE) | |||||||||||||
连接形式 | 法兰 | |||||||||||||
可调范围 | DN15-65 | DN80-300 | ||||||||||||
250:1 | ||||||||||||||
基本误差 | 带定位器:小于全行程的±2% | |||||||||||||
死区 | 带定位器:小于全行程的2% | |||||||||||||
适用温度 | 密封面 | |||||||||||||
PTFE≤150℃ | ||||||||||||||
配置执行机构 | AT、AW系列单双作用气动执行机构 | |||||||||||||
控制方式 | 开关两位控制、4-20mA模拟量控制 | |||||||||||||

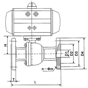
公称通径DN(mm) | 主要尺寸 | 法兰尺寸 | |||||||||
PN1.6MPa | PN2.5MPa | ||||||||||
L | H | L1 | D | D1 | D2 | n-φd | D | D1 | D2 | n-φd | |
15 | 130 | 185 | 140 | 95 | 65 | 46 | 4-14 | 95 | 65 | 46 | 4-14 |
20 | 140 | 191 | 140 | 105 | 75 | 45 | 4-14 | 105 | 75 | 56 | 4-14 |
25 | 150 | 193 | 140 | 115 | 85 | 65 | 4-14 | 115 | 85 | 65 | 4-14 |
32 | 165 | 212 | 164 | 140 | 100 | 76 | 4-18 | 140 | 100 | 76 | 4-18 |
40 | 180 | 217 | 164 | 150 | 110 | 84 | 4-18 | 150 | 110 | 84 | 4-18 |
50 | 200 | 260 | 190 | 165 | 125 | 99 | 4-18 | 165 | 125 | 99 | 4-18 |
65 | 220 | 293 | 210 | 185 | 145 | 118 | 4-18 | 185 | 145 | 118 | 8-18 |
80 | 250 | 323 | 247 | 200 | 160 | 132 | 8-18 | 200 | 160 | 132 | 8-18 |
100 | 280 | 382 | 276 | 220 | 180 | 156 | 8-18 | 235 | 190 | 156 | 8-22 |
125 | 320 | 468 | 348 | 250 | 210 | 184 | 8-18 | 270 | 220 | 184 | 8-26 |
150 | 360 | 510 | 378 | 285 | 240 | 211 | 8-22 | 300 | 250 | 211 | 8-26 |
200 | 400 | 655 | 524 | 340 | 295 | 266 | 12-22 | 360 | 310 | 274 | 12-26 |
250 | 630 | / | / | 405 | 355 | 319 | 12-26 | 425 | 370 | 330 | 12-30 |
300 | 750 | / | / | 460 | 410 | 370 | 12-26 | 485 | 430 | 389 | 16-30 |
在线留言